Startseite FORPHYS

Meine ersten Gehversuche mit dem ARDUINO

als Messgerät für den Physik-Unterricht

© H. Hübel Würzburg 2021

Arduino und Ein-/Ausschaltvorgänge an der Spule

Arduino und Selbstinduktion II

Arduino und Thomson-Formel

Physik für Schülerinnen und Schüler

Glossar



1. So habe ich den Umgang mit dem ARDUINO gelernt

Unter dem Namen ARDUINO findet man eine ganze Familie von Mikroprozessor-Bausteinen inkl. zugehöriger Software-Pakete und Zubehör. Sie lassen sich sehr leicht programmieren und ermöglichen die verschiedensten Anwendungen für Mess- und Steueraufgaben. Sie sind ideal zum Erlernen des Umgangs mit Mikroprozessoren, insbesondere für den Einsatz in Schulen.

1.1. Vorkenntnisse

Ich habe einige Erfahrung mit Einsatz und Programmierung von Mikroprozessoren im Physik-Unterricht, habe dazu auch ein Buch veröffentlicht. Seit einiger Zeit werden einige fertig aufgebaute Module angeboten, am aktuellsten die des ARDUINO-Systems. Erfreulicherweise verwendet der ARDUINO-Nano den Prozessor ATMEGA328, ähnlich dem im Buch beschriebenen ATMEGA32, nur fehlen bei ihm einige Funktionen und er wird anders programmiert. Ich musste also diese andere, auf C++ basierende Sprache erlernen.

1.2. Arduino Nano - Installation

Ich kaufte mir bei ELV ein paar ARDUINO-Nano-Bausteine (V.3) à 7,50 Euro. ELV bietet dazu auch kostenlose Informationen an, u.a. in Form einer Installationsanleitung. Viele Informationen erhält man auch hier und von ARDUINO selbst. Zunächst ging die Installation nach dieser Anleitung problemlos. Leider schien das ARDUINO-Fenster auf dem Bildschirm bei meinem MAC ganz anders auszusehen als in der Installationsanleitung beschrieben. Ich habe einige Zeit gebraucht, bis ich die (Rahmen-)Menue-Leiste der Entwicklungsumgebung am Bildschirmrand wahrgenommen hatte. Wie empfohlen, schloss ich den ARDUINO über ein USB-Kabel an den MAC an: Nichts geschah, anders als versprochen. Jetzt also Recherchen im Internet. Aha, einige Quellen berichten, dass Nachbauten einen vom Original abweichenden USB-Treiber-Chip verwendeten, zu dem man sich im Internet einen Treiber herunterladen könne. Aber wie? Ich recherchierte weiter. Offenbar hatten andere auch diese Probleme und fanden die Lösung: Man muss in der (Rahmen-)Menueleiste den richtigen ARDUINO-Typ und den Eintrag 'Prozessor:  "ATMEGA328P (old bootloader)" ' anklicken. Und siehe da, es funktionierte. Ein zusätzlicher Treiber ist nicht nötig. Sofort leuchteten LEDs auf dem ARDUINO auf und Kommunikation zwischen MAC und ARDUINO war möglich. Andere Daten hatte ich vorher gemäß Abb. 1 eingestellt: Soweit kam ich am 1. Tag. Mit der jetzt bekannten Information würde das maximal eine Stunde erfordern.


Abb. 1: Screenshot Arduio-Einstellungen

1.3. Jetzt musste ich noch die Programmiersprache des ARDUINO anhand von Beispielprogrammen erlernen (2. Tag). Es gibt auch Darstellungen des Befehlssatzes im Internet, aber ich glaube für jemand, der etwas Erfahrungen im Programmieren hat, es ist einfacher, die Beispielprogramme zu erproben und zu modifizieren.

1.4. Ich stellte mir eine konkrete Aufgabe: Ein-/Ausschaltvorgänge an der Spule: Der ARDUINO sollte als "schnelles" Speicheroszilloskop fungieren. Für relativ langsame Messungen mit serieller Datenübertragung an den MAC/PC nach jedem Messwert gibt es ein Beispielprogramm. Meine Aufgabe war es, das Programm so umzuschreiben, dass ein Datenpaket von typisch 300 Messwerten so schnell wie möglich im flüchtigen Speicher (SRAM) des Prozessors abgelegt wurde, bis dann das ganze Datenpaket relativ langsam an den MAC/PC übertragen wurde. Dafür gibt es mit dem "SERIAL MONITOR" (oder "Serieller Monitor") ein fertiges Arduino eigenes Programm, aufrufbar über die ARDUINO-Menueleiste des PC oder MAC. Der Test mit einem periodischen (nichtnegativen) Rechteckssignal von 1000 Hz gelang schnell. Etwas mehr Aufwand erforderte es, geeignete Trigger einzubauen, so dass die Speicherung erst beginnt, wenn der zu untersuchende Vorgang startet. Die hätte ich eigentlich von früher kennen müssen, hielt es aber für sinnvoller, die Triggerverfahren neu zu überlegen.


Bei der praktischen Erprobung stellte ich fest, dass ein mechanische Taster nicht schnell genug bedient werden kann, um beim begrenzten Speicherplatz in einem Messlauf gleichzeitig Einschalt- und Ausschaltvorgang erfassen zu können. Deswegen mussten getrennte Untersuchungen für beide Vorgänge vorgesehen werden, was Triggerungen (b1 und b2) erforderlich machten, die erst erprobt werden mussten. Es wurde auch eine alternative Triggerung (b3) eingerichtet, so dass beide Vorgänge in einer Messung im Speicher Platz haben. Dazu wird beim Einschaltvorgang nach "Erreichen" des stationären Stroms die Speicherung der Messwerte unterbrochen, bis sie mit dem Einsetzen des Ausschaltvorgangs wieder fortgesetzt wird.

Ich habe mich nicht ständig mit dem ARDUINO beschäftigt, so dass ich doch den 3. und 4. Tag immer wieder zugange war. Künftige Nutzer müssen für Compilierung und Speicherung des jetzt fertigen Programms höchstens 10 min aufwenden. Aber dann war das Projekt abgeschlossen; nur noch ein paar Schönheitsfehler mussten getilgt werden. An 2 weiteren Tagen habe ich ein kleines "under-shield" zusammengelötet mit einem zweikanaligen Pegelwandler, der Wechselspannungen in den nichtnegativen Bereich verschiebt. Der ARDUINO wird dabei in den Sockel eines Mikroprozessors eingesetzt. Insgesamt sind so 2 Kanäle mit Anschlüssen für nichtnegative Spannungen vorgesehen und 2 Kanäle für Wechselspannungen.

Das Programmieren habe ich dadurch gelernt, dass ich vorhandene Programme abgeändert habe. Meine Kenntnis von anderen Programmiersprachen hat mir dabei sicher geholfen.


2. Das Ergebnis ist ein schnelles Messprogramm mit ca. 9000 Messungen pro s.

Abb. 2: Messtest mit Rechtecksspannung von 1000 Hz: noch brauchbare zeitliche Auflösung

Die schrägen Flanken entstehen dadurch, dass die gezeichneten Messpunkte im minimalen Zeitabstand von 0,11 ms miteinander verbunden werden (pro Periode typischerweise ca. 9 Messungen). Schneller geht es wohl nicht.

Das Programm ist z.B. auch geeignet zur Registrierung von gedämpften Schwingungen von einigen 100 Hz.



3. Planung eines Schülerversuchs zu Ein- und Ausschaltvorgängen bei der Spule

Todo-Liste:

(a) Der Prozessor soll warten, bis die Eingabe-Taste am PC gedrückt wird (Start der Messungen).

(b1) Triggerung für den Einschaltvorgang: Der Prozessor soll eine Warteschleife drehen, bis die Eingangsspannung 0 ist. Dann soll der Prozessor warten, bis die Eingangsspannung eine untere Triggerschwelle überschreitet. Dies soll garantieren, dass der Datensatz immer mit dem 1. Messwert nach dem "Einschalten" in der Messschaltung beginnt (Start des 1. Datensatzes durch Anschluss der Batteriespannung an die Spule).

(b2) Triggerung für den Ausschaltvorgang: Prozessor soll erst warten, bis die Eingangsspannung eine obere Triggerschwelle überschreitet (stationärer Wert der Spulenstromstärke nach dem Einschaltvorgang). Dann soll Prozessor warten, bis die Eingangsspannung unter eine wenig darunter liegende Triggerschwelle abgefallen ist. Dies soll garantieren, dass der Datensatz immer mit dem 1. Messwert nach dem "Ausschalten" in der Messschaltung beginnt (Start des 1. Datensatzes durch Abtrennen der Batteriespannung an die Spule).

(c) Dann sollen 300 Messwerte schnell (im Zeitabstand von jeweils 0,11 ms) gemessen und im SRAM des Arduino gespeichert werden.

(d) Das Paket der 300 Messwerte soll an den PC geschickt werden. Dazu wird die Arduino-Funktion "Serial Monitor" verwendet.

(e) Bei weiterem Druck der Eingabe-Taste am PC soll evtl. ein weiterer Satz von 300 Messwerten gewonnen und gespeichert und dann als Paket an den PC geschickt werden.

(f) Das soll sich bis zum Programm-Abbruch wiederholen.

(g) Die Datensätze werden vom PC-Bildschirm des "Seriellen Monitor"  kopiert und in ein Tabellenkalkulationsprogramm (TBK) übertragen. Das Arduino-Programm trennt die Ausgabewerte für einen Messwert durch Kommas. Das wird vom TBK-Programm beim Einfügen der Daten erfragt. Die Messwerte werden in Abhängigkeit von der Zeit in einem t-x-Diagramm dargestellt. Die Anlage des Diagramms ist vorbereitet (ODS- oder XLS-Format) und wird nach Übertragung der Messdaten ausgefüllt.


alternativ:

(b3) erst m Messwerte für den Einschaltvorgang registrieren (beim Einschalten beginnt die Registrierung mit Messwert vor dem erstmaligen Überschreiten der Triggerschwelle), dann ohne Speicherung warten, bis der Messwert abfällt. Die Registrierung des Ausschaltens beginnt mit dem Messwert davor. Dann weitere (300 - m) Messwerte ermitteln und abspeichern. Bei den erprobten Daten für L und R bewährte sich m = 80.


4. Die Mess-Schaltung für den Schülerversuch

Abb. 3: "Grundschaltung", im SV mit den Daten: L = 0,1 H, R1 = R2 = 100 Ω, UB = 1,5 V.

Für die Schülerversuchsspule mit L = 0,1 H (Ri = 1,5
Ω; oft vernachlässigbar) und mit R1 = R2 = 100
Ω erhalten Sie in guter Näherung T = L/R = 1 ms (für den Einschaltvorgang) bzw. T' = 0,5 ms (für den Ausschaltvorgang). Der Widerstand R2 ist für ein eindeutiges Verhalten des Ausschaltvorgangs unbedingt erforderlich.
Das Messinterface muss also schnelle Messungen zulassen,  ca. alle 0,11 ms  beim
verwendeten Programm für den ARDUINO.

Gemessen werden soll die Stromstärke I durch die (nichtnegative) Spannung U0 (I = U0/R1) Als nichtnegative Spannung kann U0 direkt (ohne Pegelwandler) an einen der Messeingänge des Prozessors gelegt werden (gegen Masse = Ground), wenn die Grenzwerte des Prozessors eingehalten werden. Ich verwende den Analogeingang A0: U0 an PIN19, Masse an PIN04.

Um die Induktionsspannung mit ihren zwei Vorzeichen mit dem Arduino direkt zu messen, braucht man auf jeden Fall einen Pegelwandler, der die Spannungswerte in den positiven Bereich verschiebt, indem eine konstante Gleichspannung hinzu addiert wird.

Hier aber wird Uind mit der Spannungsbilanz berechnet. Wenn Ri vernachlässigt werden kann, gilt: UB + Uind = U0, also Uind = U0 - UB für den Einschaltvorgang bzw. mit I = U0/R1 :  Uind = U0·(R1 + R2)/R1 für den Ausschaltvorgang.

Andernfalls setzt man den Spannungsabfall an Ri mit Uind = U0·(R1 + Ri)/R1- UB  für den Einschaltvorgang bzw. Uind = U0·(R1+R2+Ri)/R1 für den Ausschaltvorgang in Rechnung. Die Kalkulationen werden im Tabellenkalkulationsprogramm vorgenommen. 

Die für die Schule sinnvolle Theorie wurde anderswo zusammengestellt.


5. Ergebnis-Beispiel


Abb. 4: Messkurve (blau), mit Rechtecksgenerator statt Batterie erstellt (asymmetrische Rechtecks-Spannung, nur nichtnegative Ausgangswerte). Vorteil dieses Verfahrens ist der Wegfall des Schalterprellens. Die Induktionsspannung (rot) wurde mit der Spannungsbilanz errechnet.



6. Vorgehensweise im Unterricht nach dem Konzept des "Forschenden Unterrichts"


Abb. 5: DINA4-Auflageblatt für die Leybold-Rastersteckplatte zum sicheren Aufbau der Mess-Schaltung durch die Schüler im SV. Die Sch stecken die Bauteile durch das aufgelegte Blatt hindurch. Die rot gezeichneten "Inseln" (in sich leitend) werden untereinander durch Bauteile oder leitende Verbindungsstecker ("Doppelstriche") verbunden. Die 2. Wicklung der Schülerversuchsspule kann bei geeigneter Beschaltung zu erhöhter Induktivität führen oder zur direkten Messung der Induktionsspannung herangezogen werden, wenn die Induktionsspannung durch einen Pegelwandler in den nichtnegativen Bereich verschoben wird. Andernfalls droht Zerstörung des ARDUINO. Abb. 5a: Beschaltung für 4-fache Induktivität.

Bei einer Wicklung ergibt sich die Induktivität L = 0,1 H, bei der Beschaltung oben L = 0,4 H. Mit 2 SV-Spulen in Reihe kann man bis zu 0,8 H erzielen.

Bei der Verwendung von Steckplatten anderer Firmen muss evtl. ein freier Aufbau gewählt werden.

(PL = Plenum; SV = Schülerversuch möglichst in gleicher Front; HA = Hausaufgabe)

Selbstinduktion ist den Sch vertraut gemacht worden, u.a. mit dem Versuch zum "verzögerten Einschalten der Monsterspule" (630 H) (PL) . Deutung als Induktionsvorgang (PL).

SV: Leuchtdiodenversuche (dort Abb. 12) mit der Grundschaltung zeigen Stromrichtung beim Ein- und Ausschalten an. Die Sch wundern sich, dass eine LED nie leuchtet ("kaputt?").

PL: Wozu wird in der Grundschaltung R2 benötigt? Hinweis auf SV "Zündfunke" (dort Abb. 11)

SV: Zeitabhängigkeiten der Stromstärke (bzw. der Induktionsspannung) mit ARDUINO registriert (bzw. berechnet).

SV: Parameteränderungen beim Einschaltvorgang: Veränderung von UB, L (Verdoppelung/Vervierfachung) und R1; Zeitkonstante qualitativ: T wächst mit L, fällt mir R1. Wie ist das zu erklären?

PL:  Theoretische Deutung: Induktionsgesetz, Spannungsbilanz, Stetigkeitsbedingung; Ansätze für Zeitgesetze werden qualitativ plausibel gemacht.

PL: T = L/R und weitere einfache Gesetzmäßigkeiten: Spitzenwerte der Spannungen, Sättigungswert der Stromstärke. Wie wirkt sich eine Veränderung von R2 aus?

PL/HA: Vermischte Aufgaben zu den "Gesetzmäßigkeiten"


7. Programm prog1a_1k (Triggerung b3)

Hier wird nur der Programm-Vorspann gezeigt. Das vollständige Listing finden Sie unter "prog1a_1k".

/*

Liest Daten mit Werten im Bereich von 0 bis 1023 vom ANALOG INPUT Kanal A0 ein und speichert sie schnell im SRAM des Prozessors ab (max. 1999 Bytes verfügbar). Da ca. 400 Bytes für Programm-Variablen benötigt werden, so dass ca. 1600 Bytes tatsächlich zur Verfügung stehen, lassen sich ca. 800 Messwerte à 2 Bytes speichern.

Dazu wird durch eine spezielle Triggerung (b3) dafür gesorgt, dass der Vorgang mit dem Anstieg der Messspannung nach dem "Einschalten" beginnt, dass der Prozessor nach Erreichen des stationären Werts ohne Speicherung wartet, bis die Messspannung vom stationären Wert wieder abfällt, bis also der Ausschaltvorgang beginnt. Dann wird die Speicherung fortgesetzt.

Die Daten werden als Paket von 300 Werten auf 5000 mV (bzw. an die an PIN18 des ARDUINO liegende Vergleichsspannung) skaliert und dann seriell an den Serial Monitor ausgegeben.

Die Mess-Schaltung enthält eine 1,5 V Monozelle, einen mechanischen Taster, eine Spule (typ. 0,1 H), einen Messwiderstand R1 zur Messung des Spulenstroms und einen Widerstand R2, der den Spulenstrom nach dem "Abschalten" ermöglicht (beide typ. 100 Ohm). Der Spannungsabfall an R1 ist die Messgröße.

Basis der Programmierung war ein Beispielprogramm:            http://www.arduino.cc/en/Tutorial/AnalogInOutSerial
*/

Die Datensätze werden vom PC- oder MAC-Bildschirm des Arduino eigenen "Seriellen Monitors"  kopiert und in ein Tabellenkalkulationsprogramm (TBK) übertragen. Das Arduino-Programm trennt die Ausgabewerte für einen Messwert durch Kommas. Das wird vom TBK-Programm beim Einfügen der Daten erfragt. Die Messwerte werden in Abhängigkeit von der Zeit in einem t-x-Diagramm dargestellt. Die Anlage des Diagramms ist vorbereitet (ODS- oder XLS-Format) und wird nach Übertragung der Messdaten automatisch ausgefüllt.


8. Modifikation zur Untersuchung einer gedämpften elektromagnetischen Schwingung

Bei geänderter Triggerung kann mit dem Programm auch die Thomson-Formel der elektromagnetischen Schwingung untersucht werden. Möglich ist, dass der Schwingkreis periodisch durch ein Rechtecks-Signal angeregt wird, oder aperiodisch durch einen Schalter, über den Energie einer Batterie zugeführt wird. Im ersten Fall wird der Schwingkreis über einen 100 nF-Kondensator an den Funktionsgenerator gekoppelt. Für den zweiten Fall wird unten ein Auflageblatt für die Leybold-Rastersteckplatte zu Schülerversuchen vorgestellt. Da von Haus aus Mikroprozessoren nur mit nichtnegativen Spannungen umgehen können, braucht man einen Pegelwandler, der die Spannungen ganz in den positiven Bereich anhebt. Der Arduino misst schnell genug, um sogar Schülerversuche damit durchführen zu können. Eigen-Frequenzen bis 500 Hz sind kein Problem.

Zur Triggerung:

Am einfachsten wäre es, von einem Maximum der Spannung ausgehend das Absinken unter eine Triggerschwelle zu nutzen. Das würde aber Probieren erfordern, bis man ein möglichst hohes Spannungsmaximum gefunden hätte. Wenig darunter sollte dann die Triggerschwelle definiert werden.

Wenn man dagegen mit der zweiten Wicklung der SV-Spule die Induktionsspannung misst (von gleicher Größe wie der Wechselspannungsanteil der Schwingkreisspannung) hat man eine bessere Triggermöglichkeit, die sich besonders bewährt, wenn die Schwingung durch einen mechanischen Schalter anregt wird: a) Schleife solange Induktionsspannung <= 0, b) Schleife, solange Induktionsspannung = 0. Die Messschleife startet dann mit dem Einsetzen der Schwingung.

Programm prog3a_2k

Das vollständige Listing finden Sie unter prog3a_2k (leicht modifizierbar zur einkanaligen Version prog3a_1k).

/*   geeignet für aperiodische Messungen, z.B. bei der Anregung eines Schwingkreises durch Tastendruck

Liest Daten mit Werten im Bereich von 0 bis 1023 vom ANALOG INPUT Kanal A0 (oder optional zusätzlich A2) ein, mit oder ohne Pegelanhebung für Wechselspannung, und speichert sie schnell im SRAM des Prozessors ab.

Dazu wird durch eine spezielle Triggerung in Kanal A0 dafür gesorgt, dass der Vorgang mit dem Anstieg der
Messspannung aus dem Nullwert (null) nach einem Tastendruck beim PC beginnt.

Die Daten werden als Paket von 300 Werten auf 5000 mV (bzw. an die an PIN18 des ARDUINO
liegende Vergleichsspannung) skaliert und dann seriell an den Serial Monitor ausgegeben.

Die Mess-Schaltung enthält eine 1,5 V Monozelle, einen mechanischen Taster, eine Spule
(typ. 0,1 H), einen Widerstand R1 zur Begrenzung des Erregerstroms (typ. 100 Ohm). Bei Verwendung der Schülerversuchsspule wird die Schwingkreisspannung (in der Regel) mittels der 2. Wicklung gemessen.

Auch periodische Anregung durch die Rechtecksspannung eines Funktionsgenerators über einen Koppelkondensator (typ. 100 nF) ist möglich (1kanalig: prog3p_1k  oder 2kanalig: prog3p_2k ).

*/


Abb. 6: Messkurve: Spannung an Kondensator bzw. Spule des Schwingkreises

Die ungefähren Daten sind C = 1 μF, L = 0,1 H. Es handelt sich um die Nennwerte von Induktivität und Kapazität. Die Frequenz-Abhängigkeit und weitere Einflüsse auf L sind nicht bekannt. Die Nennwerte sollten auf ca. 500 Hz Resonanzfrequenz führen. Tatsächlich ergibt sich aus genannten Gründen eine Resonanzfrequenz von ca. 435 Hz. Gemessen und dargestellt sind alle Schwingungen zwischen einer ansteigenden Flanke und einer abfallenden Flanke des erregenden Rechteckssignals (ca. 45 Hz). Viel mehr Perioden würde man sehen bei einer geringeren Erregerfrequenz. Wegen des geringen Innenwiderstands von 1,5 Ω der Schülerversuchsspule würde man eine noch geringere Dämpfung erwarten. Ummagnetisierungsvorgänge im Ferritkern und die Ankopplung an die äußere Beschaltung könnten weitere Dämpfungsmechanismen darstellen.


Abb. 7: DINA4-Auflageblatt für die Leybold-Rastersteckplatte zu Schülerversuchen

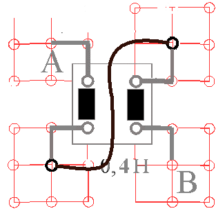
Wenn eine Gefährdung der ARDUINO-Eingänge durch Überspannungen ausgeschlossen ist, wie häufig, kann auf das Potentiometer verzichtet werden. Die Messeingänge des Pegelwandlers werden dann direkt mit der Primärseite der Spule, also mit A und B verbunden. Für 0,2 H sind zwei gleichartige, getrennte Spulen in Reihe geschaltet (optional, andernfalls Ersatz der 2. Spule durch einen Doppelstecker). 0,4 H ergeben sich, wenn beide Wicklungen einer Spule vom identischen Fluss durchsetzt werden.
Bei 1 μF und 0,1 H ist die Resonanzfrequenz ca. 500 Hz.


Abb. 8: Anschlüsse des Arduino Nano (Draufsicht Vorderseite)

Wenn kein "under-shield" als Pegelwandler verwendet wird,  müssen die Sch bei der Verbindung der rückseitigen Steckerpins mit der Messschaltung im Kopf spiegeln! Hier darf kein Fehler passieren! Die Mess-Schaltung (bzw. der Ausgang des Pegelwandlers) wird über die Pins GND und z.B. A0 (rot) verbunden.

(Pin 27 und Pin 4 könnten zur Spannungsversorgung externer Schaltungen dienen, z.B. eines Pegelwandlers (OUT), oder zur Zuführung einer externen Spannung. Zwischen Pin 18 und Pin 4 kann die Referenzspannung für die AD-Wandler gemessen oder auch von außen zugeführt werden.)



Abb. 9: Das "under-shield", aufgebaut auf einer Lochraster-Platine, wenn zusätzlich zu den Gleichspannungskanälen  Pegelwandler für 2 Kanäle bereitgehalten werden sollen. in1 und in3 sind die Gleichspannungseingänge, in0 und in2 die Wechselspannungs-Eingänge.

Der ARDUINO wird in den grau gezeichneten Sockel gesteckt, der 2-kanalige Operationsverstärker TLC 272 in den achtpolige Sockel. Er ist Hauptbestandteil des Pegelwandlers. Leiterbahn-Unterbrechungen sind grün markiert. Die Betriebsspannung wird über den ARDUINO aus dem USB-Port bezogen. Mit dem Steckerpaar rechts oben kann sie weiterverwendet werden. In der Abb. links und Abb. 9 erkennen Sie die Beschaltung des TLC zum 2-kanaligen Pegelwandler.


Abb. 10: Pegelwandler, aufgebaut mit dem TLC 272 auf einer Lochstreifenplatine (Draufsicht)

(nur die schwarz oder dunkelgrau gezeichneten Verbindungen; sonst Leiterbahn-Unterbrechungen)


Bitterle, D. (1997). Elektronik-Experimente mit dem PC. Feldkirchen.


9. Bzgl. weiterer Informationen:


Das Buch

Physikalische Schülerversuche mit PC und Mikroprozessor - Wege zum forschenden Lernen,

2. deutlich erweiterte Auflage,

ist im Buchhandel erhältlich.

Viele der dort beschriebenen Versuche für den Prozessor ATMEGA32 lassen sich auch mit dem Arduino Nano durchführen, da dieser mit einem ähnlichen Prozessor ausgestattet ist. Allerdings wird dort als Programmiersprache AVISE-Forth verwendet. Die Software muss neu geschrieben werden, was aber leicht möglich ist.

Das Buch beschreibt viele weitere physikalische Versuche, Unterrichts-Konzepte und nützliche Details zu ergänzenden Hardware-Komponenten, z.B. zum Pegelwandler und Schutzdioden.



(Juni / November 2021)